Simple Wiring Diagram Vw Dune Buggy S Vw Dune Buggy Vw

Simple Wiring Diagram Vw Dune Buggy S Vw Dune Buggy Vw

Dune Buggy And Sandrail Wiring Daigram Car Stuff Sand

Dune Buggy And Sandrail Wiring Daigram Car Stuff Sand

Vw Rail Buggy Wiring Diagram Car Stuff Vw Dune Buggy

Vw Rail Buggy Wiring Diagram Car Stuff Vw Dune Buggy

Vw Rail Buggy Wiring Diagram Car Stuff Vw Dune Buggy

This rail has clearly changed hands plenty of times over the years with everybody tinkering its time for a wiring overhaul.

Vw sand rail wiring diagram. Can also work with woods buggies or similar. Wiring was way over engineered so time to get out the wire cutters and make things ez. I have it set up with a heavy duty toggle switch for the ignition running. Here are some wiring schematics and diagrams that you may or may not use.

Overall it has the easiest how to wire it without a kit diagragm and instructions out there. Rail wiring simplified wire is sized in gagueawg. Here is a pic of the new wiring diagram i drew up it dosent have the wire gages or colors on it. Thesamba com type 1 wiring diagrams and 1969 vw beetle diagram 1967 beetle wiring diagram.

Vw wiring of a non computer controlled rail steps 1 run 6 or 8 from alternator screw terminal to your battery plus. Wiring 101 coil. Vw 2387cc sand rail by pat downs cb performance. 1970 vw rail buggy the most fun car i have ever driven.

Vw dune buggy alternator wiring duration. Dune buggy sand rail wiring volkswagen vw summary this is a simple wiring diagram i made up for my sand rail. Empi wire loom instructions for your dune buggy sand rail shortened pan or manx tub buggy. Sand rail wiring wo turn signals or wipers public.

Dont think copywright is a problem. I took apart the center console untangled the snaggle of wires and traced everything down where it goes. Buy empi 00 9466 0 wire loom kit vw buggy sand rail universal. 2 ground your battery with bigger than 6 as close to your battery as possible.

The smaller the number the bigger the wire. Purchase this wiring diagram here. If youre not good with schematics this is the book. Empi 9466 wire loom wiring diagram instructions page 1.

The perspective is how to go to a swap meet select parts and build a sand rail. 6 means 6 awg. Trailer wiring diagram vw engine beach buggy vw beach motor car manx dune buggy volkswagen vw trike sand rail. Empi 9466 wire loom wiring diagram instructions page 2.

Sand Rail Ignition Wiring Is This Correct

Sand Rail Ignition Wiring Is This Correct

Empi 9466 Wiring Diagram

Empi 9466 Wiring Diagram

How To Build A Dune Buggy Dune Buggy Vw Dune Buggy Manx

How To Build A Dune Buggy Dune Buggy Vw Dune Buggy Manx

Vw Sand Rail Wiring Harness Swift Electrical Schemes

Vw Sand Rail Wiring Harness Swift Electrical Schemes

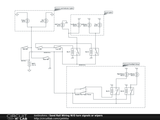
Sand Rail Wiring W O Turn Signals Or Wipers Circuitlab

Sand Rail Wiring W O Turn Signals Or Wipers Circuitlab

Thesamba Com Hbb Off Road View Topic Wiring Brake

Thesamba Com Hbb Off Road View Topic Wiring Brake

New Page 1

New Page 1

Vw Tech Article 1955 57 Wiring Diagram

Vw Tech Article 1955 57 Wiring Diagram

Ignition And Charging System Diagram Opel Gt Vw Dune

Ignition And Charging System Diagram Opel Gt Vw Dune

Dune Buggy Vw Bug Alternator Kit Instructions

Dune Buggy Vw Bug Alternator Kit Instructions

Rails Wiring Diagram Wiring Library

Rails Wiring Diagram Wiring Library

Empi 9466 Wiring Diagram

Empi 9466 Wiring Diagram

1968 Vw Wiring Schematic Fuse Box Diagram Yer Fuses Beetle

1968 Vw Wiring Schematic Fuse Box Diagram Yer Fuses Beetle

Vw Sand Rail Wiring Harness Swift Electrical Schemes

Vw Sand Rail Wiring Harness Swift Electrical Schemes

Vw Tech Article 1966 67 Wiring Diagram

Vw Tech Article 1966 67 Wiring Diagram

Wiring Harness For Dune Buggy Wiring Library

Wiring Harness For Dune Buggy Wiring Library

Sand Rail Wiring Diagram For Motor Wiring Diagrams

Sand Rail Wiring Diagram For Motor Wiring Diagrams

Sand Rail Wiring Diagram For Motor Wiring Diagrams

Sand Rail Wiring Diagram For Motor Wiring Diagrams

Source : pinterest.com

Popular Posts