Printable DB
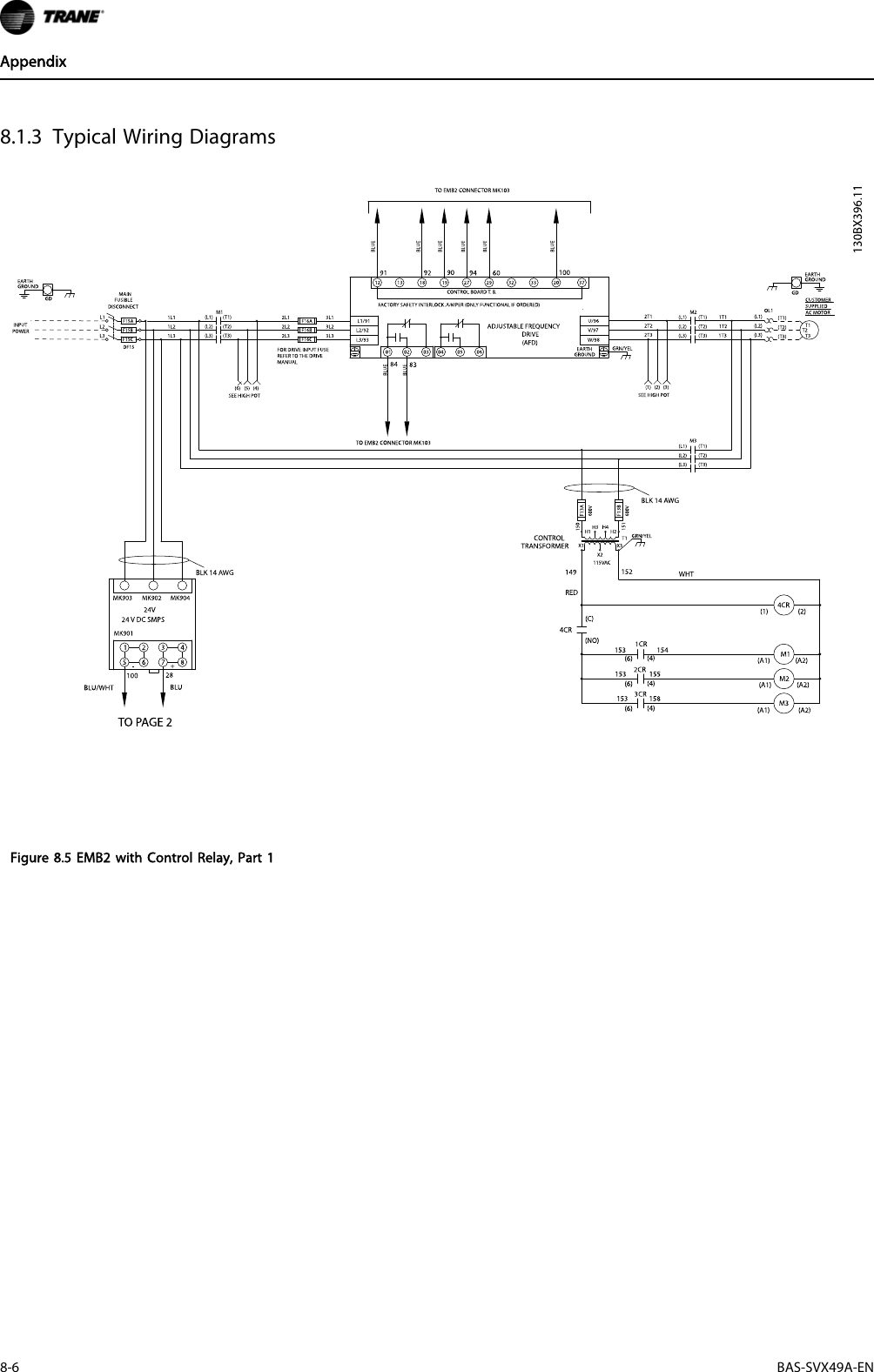
Trane Vfd Wiring Diagram
yale marketing certificate
whats aed certification
word recruitment strategy template
wku certificate programs
weekly exercise planner template
work change order form template
weekly operations report template excel
wiring diagram 72 chevy truck
Trane Vfd Wiring Diagrams Wiring Schematic Diagram
Trane Vfd Wiring Diagrams Wiring Schematic Diagram
Trane Vfd Wiring Diagrams Wiring Schematic Diagram
Vfd Pump Wiring Schematic Wiring Schematic Diagram
Trane Vfd Wiring Diagrams Wiring Schematic Diagram
Trane Vfd Wiring Diagrams Wiring Schematic Diagram
Tr200 Series Vfd Trane Commercial
Variable Frequency Drive Trane Commercial
Tr200 Series Vfd Trane Commercial
Trane Modular 20 To 35 Tons Installation And Maintenance
Trane Signature 20 To 110 Tons Installation And Maintenance
Instruction Manual Tr200
Practical Machinist Largest Manufacturing Technology Forum
Trane Vfd Wiring Diagrams Wiring Schematic Diagram
Practical Machinist Largest Manufacturing Technology Forum
Trane Vfd Wiring Diagrams Wiring Schematic Diagram
Instruction Manual Tr200
Tr200 Wiring Diagram Wiring Diagram Online
Wrg 3749 Trane Vfd Wiring Diagram
5 Basic Vfd Variable Frequency Drive Operation In Manual Or Hand On Mode
Tr200 Wiring Diagram Wiring Diagram
Source :
pinterest.com
Popular Posts
Weekly Status Report Template Software Development
Yelp Resume Writing Services
Word Template Calendar 2019
Worksheet Template Simple Estate Planning Worksheet
Work Task List Template Excel
Wordpress About Us Page Template
Work Log Sheet Template Excel
Ymca Certifications Programs
Wiring Diagram For G5 Yamaha Ga Golf Cart
Worksheet Heat And Heat Calculations
Word Cost Benefit Analysis Template
Wiring Diagram Honda Astrea Grand
Worksheet Methods Of Heat Transfer Conduction Convection And Radiation Answer Key
Will Template For Parents
Workout Routine Workout Chart Template
Word Document Company Letterhead Template Word
Wiring Diagram Rj45 Connector
Wiring General Harnes Motor 15475703
Word Business Newsletter Templates
Wire Harnes Busines
Wiring Diagram For 1966 Vw Beetle
What Is A Resume For Work
Writing A Professional Resume And Cover Letter
Where Can I Build My Resume For Free
Yamaha Pacifica 012 Wiring Diagram
Wedding Invitation Video Templates
Yamaha Motorcycle Xj Wiring Diagram
Western Plow Pump Snow Plows Parts
Workplace Survey Template
Word Document Free Project Plan Template Word
Wiring Harnes Diagram For 1995 Ford 1500
Wrangler Speaker Wiring Diagram
Yamaha Kodiak Atv Wiring Diagram
Wiring Diagram Boat
What Is A Cover Letter Template
Wiring Diagram For Pool Timer
Wiring Diagram For 2007 Kium Optima
Word Employee Performance Evaluation Template
Xcode App Templates
Word Risk Management Plan Template Free
Wiring Diagram Box Sign
Wiring Component Speakers To Amp
Word 5 Whys Root Cause Analysis Template
What Can I Add To My Resume
Wedding Flip Flop Sign Free Printable
Word Document Free Rent Receipt Template Excel
Wiring Diagram 2008 Pontiac Solstice
Will Template Ontario Pdf
Wedding Title Templates
Wiring Diagram Kubotum B26 Tlb
Wedding List Excel Template
Word Document Resume Format Doc
Weekend Agenda Template
Western Union Money Order Template
Wiring Diagram For 12 Volt Conversion Of Alternator On Ferguson To 30