Printable DB
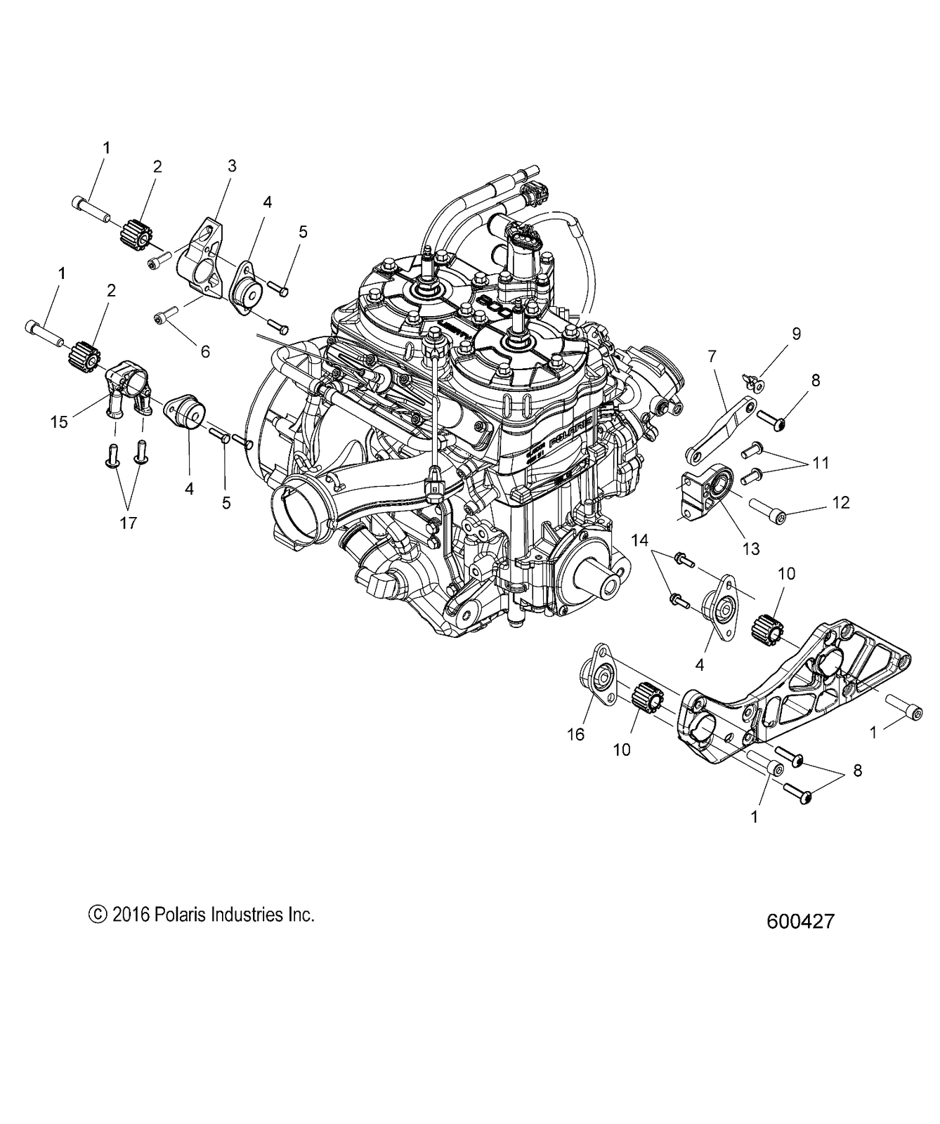
Polari 800 Engine Diagram
microsoft azure certificates
plot diagram templates
personal car loan contract template
pdf free eviction notice template
printable pistol targets
math powerpoint template
machine operator job description template
pdf file sample cv pdf download
Polaris Side By Side 2008 Oem Parts Diagram For Engine
Polaris Side By Side 2010 Oem Parts Diagram For Engine
Polaris Side By Side 2013 Oem Parts Diagram For Engine Fuel
2008 Polaris Ranger Rzr 800 Side By Side Service Manual
Save Up To 30 On 2011 Polaris Ranger 4x4 800 Efi Crew Oem
Polaris Rzr Parts Diagram
Polaris Rzr 800 Efi 08 Engine Cases Crankcase 20860
Polaris Ranger 800 Engine Rebuild Part 2 Rebuild And Install
2005 Polaris 800 Rmk 151 Snowmobile Service Repair Manual
2004 Polaris 800 Pro X Snowmobile Service Repair Manual
2013 Rzr Engine Diagram Wiring Diagram
Polaris 800 Iq 2010 Engine Diagram Wiring Library
Utv Wrenching Chasing Down A Wiring Problem In A Polaris
Polaris Kitshort Block 800 Ch 2205653 Oem
Polaris Rzr 900 Wiring Diagram Wiring Resources
2013 Rzr Engine Diagram Wiring Diagram
Details About Polaris My12 Engine Mnt Bolt Isolator Kit 2204633 New Oem
Polaris 800 Atv Wiring Wiring Library
2009 2010 Polaris Ranger Rzr S 800 Utv Service Manual
Stage Tuning The Polaris Axys 800 With Starting Line
Peg Perego Polaris Sportsman 800 Twin Parts
Source :
pinterest.com
Popular Posts
Free California Llc Operating Agreement Template
Formal Lab Report Template
Free Requisition Form Template Excel
Georgie Boy Wiring Diagram
Hipaa Templates Free
Highlights Hidden Pictures Free Printables
Executive Summary Monthly Executive Report Template
Kids Schedule Template With Pictures
Isuzu Axiom Fuse Box
How Do You Write A Simple Resume
Jeep Trailer Tow Wiring
Facebook Campaign Planner Template
I 9 Forms 2019 Printable Pdf
Free High School Transcript Template
How To Make Resume For Teaching Job Sample
Gm Sbc Wiring Diagram
Ford Radio Wiring Schematic
How To Make A Resume Using Word
Free Tri Fold Brochure Design Templates Psd
Ford Model T Wiring Diagram
How To Book Template First Grade
Free Shape Worksheets For Preschool
Landlord Rent Statement Template Excel
Free Check Register Template Pdf
Fill In Resume Template Pdf
Invoice Template Xlsx
Geometric Wedding Invitations Template
Kw Avx710 Wiring Diagram
Free Printable Driving Directions
High School Science Project Rubric Template
Inkscape Business Card Template Download
Impact Statement Template
Kitchen Cleaning Checklist Template
John Deere 24 Volt Starter Wiring Diagram
Free Editable Daily Schedule Template For Kids
Eye Catching Internal Company Newsletter Templates
Google Drive Schedule Template
Graduate Resume Builder
Free Meditation Certification
Fuse Clip
Guitar Wiring Diagram 3 Humbucker
Funding 401 K S And Roth Iras Worksheet Answers
June 2020 Printable Monthly Calendar Template 2020
Free Printable Science Worksheets
Fuse Box Diagram 1997 Ford Mark Iii
Free Printable Shooting Targets
Free Printable Hard Word Search
Golf Cart Wiring Diagram Toyotum
How To Save Resume To Phone
Excel Template Weekly Timesheet
Fashion Templates Female
Inventory Tags Printable
Gem Radio Plug Diagram
Farewell Email Message To Colleagues In Office
Flow Chart Template Excel Free Download