Printable DB
Intex Home Theatre Wiring Diagram
free invitation templates word
freshman math worksheets
honda motorcycle repair diagram
ga armstrong diagram furnace g1n80bto75d12a 3a
ford diesel tractor ignition switch wiring diagram
free printable long division worksheets on graph paper
how to make a powerpoint template design
executive assistant resume examples
Wiring Diagram Home Theater Amplifier 5 1 Amplifier In
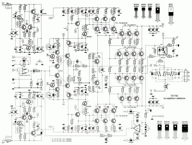
How To Re Wiring Intex 2500w Home Theater
Full Intex Home Theater Wiring Solution And Repairing Guide Model It 2000
2 1 Home Theatre Wiring ह द म Check Important Links In Description
How To Build A Home Theater System Circuit Diagram Included
Home Theater Circuit Tracing Full Toturial In Hind
Videos Matching Full Intex Home Theater Wiring Solution And
I M Yahica Intex It 2000 Circuit Diagram
All In 1 Appliances Spare Parts 4 1 Home Theatre Pcb Amazon
Home Theatre Wiring Diagram Bcberhampur Org
4 1 Home Theatre Kit Part 1 Complete Wiring ह द म Buy Link Given In Description
Nktronics 2 1 Home Theater Amplifier Board 100watt With Bass Boost Support Tda2030 Based
Home Theatre Wiring Diagram Bcberhampur Org
Videos Matching Full Intex Home Theater Wiring Solution And
How To Repair Home Theater Full Toturial Hindi Me
Audio Circuit Board For 4 1 Home Theater System
Intex Home Theatre Repair
Videos Matching Full Intex Home Theater Wiring Solution And
Multimedia Speaker For Pc Detailed Circuit Diagram Available
Circuit Power Audio Amplifier With Tda2030 2 1 3 X 18
Home Theatre Wiring Diagram Bcberhampur Org
Source :
pinterest.com
Popular Posts
High School Lesson Plan Template
Flower Crown Snapchat Filter Template
Free Printable Dog Get Well Cards
Free Pizza Party Invitation Template
Free Printable 2019 Monthly Calendar
Ford Escape Radio Wiring
Excel Stakeholder Management Plan Template
Htc One M5
Household Finances Worksheet
Investor Deck Template
Free Harlem Nights Invitation Template
Fake Apple Receipt Generator
Gutter Bid Template
Fuse Box And Construction Equipment
Free Printable Dog Poop Signs
Free Preschool Newsletter Templates For Word
Excellent Resumes 2018
Gift Certificate Wording
Haldex Gen 3 Piping Diagram
How Much Does It Cost To Have A Resume Written
Handyman Quote Template
Fungal Hyphae Diagram
Format Sample Identification Card Employee Id Card Format
Free Boss Baby Invitation Template
Government Security Certifications
Honda Shadow Starter Switch
Ford E150 Brake Line Diagram
Executive Summary Template Word Doc
Free Printable Worksheets For English Teachers
Free Emergency Contact Form Template For Employees
High School Sample Lesson Plan In Music
Fender Stratocaster 5 Way Switch Wiring Diagram
Follow Up Email Templates Hubspot
Flyer Registration Form Template
Financial Support Application Sample Application Letter For Scholarship Grant
Free Scholarship Certificate Templates
Free Baseball Schedule Template
Free Printable Living Will Template
How To Cancel My Perfect Resume
Healthcare Management Services Agreement Template
Intuit Payroll Pay Stub Template
Generac Manual Transfer Switch Diagram
Free Printable Shopping List Template
Hazardous Waste Certification Training
Fake Paycheck Stub Template Free
Free Fitness Flyer Template Publisher
Free Order Form Template Word
Field Work Field Report Sample
Grant Submission Template
Fmla Fitness For Duty Certification Template
Intelligence Analysis Certificate
Free P And L Template
Formal Thank You Email To Professor Sample
Hourly Gantt Chart Excel Template Download
Free Printable Personality Tests For Employees