Gm Air Conditioning Diagram

Details About Gm Oem Ac A C Air Conditioner Orifice Tube 3096068

Details About Gm Oem Ac A C Air Conditioner Orifice Tube 3096068

Ac System Rebuild 2001 Suburban Performancetrucks Net Forums

Ac System Rebuild 2001 Suburban Performancetrucks Net Forums

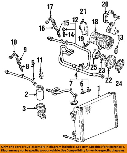
Ac Vacuum Lines Page 2 Gm Square Body 1973 1987 Gm

Ac Vacuum Lines Page 2 Gm Square Body 1973 1987 Gm

Ac Vacuum Lines Page 2 Gm Square Body 1973 1987 Gm

Chevrolet diagrams use these diagrams with caution and at your own risk as we are not responsible for negligence as a result of use.

Gm air conditioning diagram. Be sure the wires are firmly connected to the connector and not damaged2. Wiring diagrams repair guide print fig. 1974 75 camaro air conditioning outlets click here to view technical diagram. Chevrolet air conditioning wiring diagram bolt together connections are getting more widely utilized.

There are generally three main types of hoses lines. Workshop and repair manuals service owners manual. Liquid hoses lines suction hoses and discharge hoses. Wiring diagram ck trucks 1980.

The compressor is typically engine driven via the accessory belt and a clutch on the compressor is used to engage and disengage the. Hoses and lines connect the elements of the air conditioning system. Every type of switch has an every other metaphor and because of this complete the numerous outlets. More acdelco air conditioning.

Wiring diagrams spare parts catalogue fault codes free download. Heating and air conditioning systems. Autozone repair guide for your chassis electrical wiring diagrams wiring diagrams. Heater and air conditioning.

Hoses lines what do hoses and lines do. 2008 system wiring diagrams chevrolet silverado 1500 2008 chevrolet silverado owner manual. The fuse that controls the air conditioning is number 10. Designed for your specific year and model gm.

Below is the connection diagram. Wire harness colors are as i found them on inspection. Find the fuse box in a chevy avalanche on the passenger side of the center console near the floor. Replace it with one of the replacement fuses available which are numbers 2 through 5.

Restoration gm hoses lines. The pcb connections are on the left and the blower switch is on the right. Click here to view technical diagram. The gm air conditioning features a flat firewall for a clean look air conditioning louvers are in dash.

Repair guide chassis electrical. Liquid hoses lines connect between the. Fuel and exhaust systems. The wire colors gm used may vary or colors may have changed due to fading over time i am not sure which is the case here.

Acdelco gm original equipment ac compressors pump refrigerant through the system and are gm recommended replacements for your vehicles original components.

Air Conditioning Troubleshooting And Repair

Air Conditioning Troubleshooting And Repair

Details About Saturn Gm Oem 05 07 Relay Air Conditioner A C Ac Condenser 25813511

Details About Saturn Gm Oem 05 07 Relay Air Conditioner A C Ac Condenser 25813511

Shanghai Gm Chevrolet Epica Saloon Car Air Conditioning

Shanghai Gm Chevrolet Epica Saloon Car Air Conditioning

Gm Ac Compressor Wiring Wiring Diagrams Folder

Gm Ac Compressor Wiring Wiring Diagrams Folder

Gm A C Compressor Wiring Wiring Diagram

Gm A C Compressor Wiring Wiring Diagram

Gm Air Conditioning Wiring Diagram Wiring Diagrams

Gm Air Conditioning Wiring Diagram Wiring Diagrams

Shanghai Gm Chevrolet Epica Saloon Car Air Conditioning

Shanghai Gm Chevrolet Epica Saloon Car Air Conditioning

Gm Air Conditioning Wiring Diagram Wiring Diagrams

Gm Air Conditioning Wiring Diagram Wiring Diagrams

Gm A C Compressor Wiring Wiring Diagram

Gm A C Compressor Wiring Wiring Diagram

Amazon Com Genuine Gm 15101303 Air Conditioning Evaporator

Amazon Com Genuine Gm 15101303 Air Conditioning Evaporator

Details About Gm Oem Air Conditioner A C Refrigerant Pressure Sensor 13587697

Details About Gm Oem Air Conditioner A C Refrigerant Pressure Sensor 13587697

Gm Oem Ac A C Air Conditioner Orifice Tube 19259601 17 75

Gm Oem Ac A C Air Conditioner Orifice Tube 19259601 17 75

Updating Air Conditioning From R12 To R134a The Corvette

Updating Air Conditioning From R12 To R134a The Corvette

Car Ac Diagram Wiring Diagrams Folder

Car Ac Diagram Wiring Diagrams Folder

Ac Vacuum Lines Page 2 Gm Square Body 1973 1987 Gm

Ac Vacuum Lines Page 2 Gm Square Body 1973 1987 Gm

Genuine Gm 89019303 Air Conditioning Module Wiring Harness

Genuine Gm 89019303 Air Conditioning Module Wiring Harness

Gm Air Conditioning Wiring Diagram Wiring Diagrams

Gm Air Conditioning Wiring Diagram Wiring Diagrams

Stay Cool This Summer With These Muscle Car Air Conditioning

Stay Cool This Summer With These Muscle Car Air Conditioning

Source : pinterest.com

Popular Posts