Printable DB
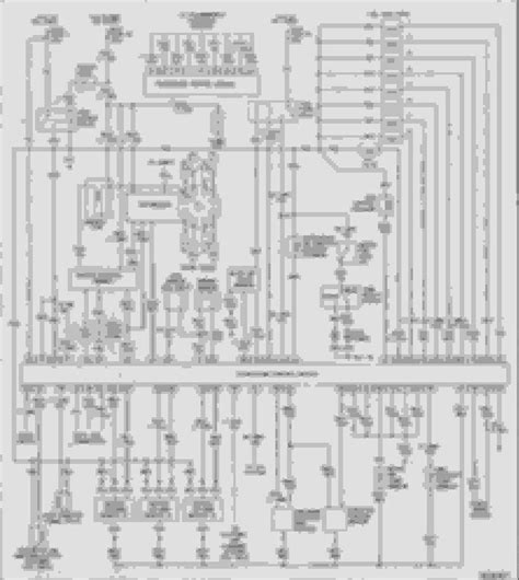
Ford F53 Chassi Wiring
x2f coupler schematic
wholesale sheet template
weight loss rewards chart template
wire harnes end
wiring diagram ground symbol
whelen flasher wiring diagram
youth ministry certificate program
writing a scope of work template
1999 Ford F53 Motorhome Class A Chassis Wiring Diagram Manual
Details About 2000 Ford A Class Motorhome Chassis Electrical Wiring Diagrams Original F53
1999 Ford F53 Motorhome Class A Chassis Wiring Diagram Manual
Ford F53 2013 Chassis Manual And Or Wiring Diagrams Irv2
Ford F53 Chassis Wiring Diagram Wiring Schematic Diagram
Ford F53 Chassis Wiring Diagram Wiring Schematic Diagram
2011 Coachmen Mirada 34bh On Ford F53 Chassis Wiring Diagram
F53 Chassis Wiring Diagram Wiring Schematic Diagram
1997 F53 Chassis Fuse Box Locations
2006 Forestriver Georgetown Ford F53 Ac Wiring Irv2 Forums
Amazon Com Ford F53 Motorhome Chassis Wiring Diagram Books
1996 Ford F53 Motorhome Chassis Electrical Troubleshooting Manual Original
Tekonsha Plug In Wiring Adapter For Electric Brake Controllers Ford
93 Ford F53 Wiring Wiring Diagram
I Have A 2012 Georgetown Motorhome On A Ford Chassis V10 I
Ford F53 Chassis Wiring Diagram Wiring Schematic Diagram
1997 Ford F53 No Power From Fuel Pump Relay Irv2 Forums
2000 Ford Motorhome Class A Chassis Wiring Diagrams Manual Original
2000 F53 Wiring Diagram Wiring Diagram
1995 F53 Motorhome Chassis 1 Cruise Control Doesn T Engage
Ford F53 Chassis Wiring Pdf Epub
Source :
pinterest.com
Popular Posts
Free Printable Baby Shower Games Whats In Your Purse
Handover Checklist Excel Template
Free Editable Job Application Template
Free Printable Entry Forms
Free Christmas Flyer Templates Microsoft Word
Free Church Announcement Powerpoint Templates
Java Spring Certification Path
Farm Lease Simple Land Lease Agreement Template
Free Printable Sticker Charts
Facebook Post Design Template Free Download
Hint Water Printable Coupon
Free Letter Of Interest Template
Fan Motor Wiring Diagram For 1999 Old 88
General Contractor Contractor Sign In Sheet Template Excel
Grocery List Template For Kids
Fictional Story Short Story Outline Template
Free Printable Measuring Tape Inches
Generac 15000 Watt Portable Generator
Fuse Box For 2003 Bmw Z4
Facebook Cover Template Psd Free Download
Free Printable Clean Dirty Dishwasher Sign Printable
Excel Root Cause Analysis Report Template
Free Executive Resume Templates 2018
Free Weekly Planner Template 2020
Farm Invitation Template
Free Speaker One Sheet Template Download
Inmate Hardship Transfer Letter Sample
Harry Potter Printable Daily Prophet
Healthcare Management Resume
Female Rj45 Connector Wiring Diagram
Free Blank Receipt Template
Fuel Pump Relay Wiring Diagram For 2000 Sonatum
Jsa Templates Nz
Free Resume Templates 2018 Pdf
Insurance Business Cards Templates
Gcp Cloud Certification
Free Printable Kindergarten Lesson Plan Template
Ktm Starter Diagram
Fake Teaching Certificate
Korean Teaching Certificate
Interview Timetable Template
Excel Simple Project Management Plan Template
Id Card Template Illustrator
Film Business Plan Template Pdf
Kawasaki Mule Bed Enclosure
Forward Reverse Star Delta Starterpdf
Kium Sorento 4 Wire O2 Sensor Wiring Diagram
Free Sample Budget Template
Free Printable Baby Shower Corsage Labels
Fake Medical Certificate Sample Philippines
It Finance Certifications
Jungle Masks Templates
Janitorial Services Proposal Template
How To Write A Grievance Letter Template
Html Flow Diagram