Printable DB
Dodge Ram Tilt
how to do a resume for the first time
hotel bill sample format
hrci certification online
free math subtraction worksheets
fleetwood rv wiring diagram for 2013
forest river rockwood wiring diagram
financial analyst resume format
hid wiring diagram for 06 ram
Dodge Durango Ram Tilt Steering Wheel Lever Repair
Details About 2003 Dodge Ram 1500 Pickup Truck Tilt Steering Column Stick Manual Transmission
Details About 1998 1999 2000 2001 Dodge Ram Tilt Steering
Mopar Lever Tilt Lever Rel
2011 Ram 1500 2500 3500 Tilt Steering Column Tutorial
2002 2006 Dodge Ram Tilt Lever Release Knob Mopar
Details About Dodge Ram Chrysler Steering Column Tilt Adjuster Lever New Oem Mopar
Ram Tilt Hood Dodge Ram Forum
81 87 Dodge Ram 150 250 Truck Ramcharger Tilt Steering
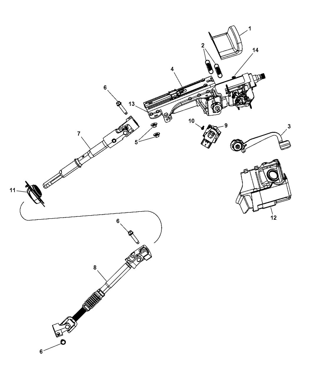
Exploded View For The 1998 Dodge Ram Van Tilt Steering
Dodge Tilt Handle
Details About Dodge Ram 1500 2500 3500 Dakota Durango Steering Column Tilt Lever Oem New Mopar
1984 Dodge Ram Van Column Steering Tilt Release Housing
With Key Steering Column Shift With Tilt Wheel 92 93 Dodge
1986 Dodge Ram Van Column Steering Non Tilt Upper Lower
Extang Full Tilt Sl Dodge Ram 8 09 18 19 Classic 1500
Details About Dodge Ram 1500 2500 3500 Dakota Steering Wheel
Price Drop Tilt Steering Column For Dodge Ram
Extang 8435 Full Tilt Snaps Tonneau Cover
2009 2018 Dodge Ram 1500 With 5 7 Bed Without Bed Rail Storage Extang Full Tilt Snaps Tonneau Cover Hinged Snap Style
Dodge For Sale Dodge Pickup Truck Skid Steer Equipment
Source :
pinterest.com
Popular Posts
Yoga Certification Price
Water Heater And Thermostat Wiring Diagram For Element
Whelen Edge Lightbar Wiring Diagram
Workforce Solutions Resume
Yamaha Blaster Wiring
Word Receipt Voucher Sample
Whitco Wiring Diagram
Western Snow Plow Adjustment
Work Experience Resume Template
Wedding Monogram Template
Wrx Sti Twin Turbo Kit
Word Free Wbs Template
Wiring Diagram For Twisted Pair
Wiring Diagram 1993 K 5
Worksheet Writing A Book Template
Xlr To Rca Adaptor
Where Can I Get Resume Templates For Free
Xlr Female To Trs Y Cable
Wbs Template Visio 2016
Work Breakdown Structure With Gantt Chart Template
Word Free Meeting Agenda Template
Yj Horn Diagram
Zig Ziglar Goal Setting Worksheet
Wiring Diagram 2000 Volvo
Wix Fuel Filter Catalog
Work Resignation Template Uk
Western Unimount Plow Wiring Diagram
Word Company Structure Template
Wiring Diagram For Ford Fiestum
Word Final Lien Waiver Template
Wiring For Radio Harnes Pinout
Wedding E Invite Template Indian
Word Document Receipt Template
Wiring Diagram Baseboard Heater Installation 3 M Wire Simple
Wiring Diagram For 1995 Dodge Ram 1500
Wedding Cake Invoice Template
Word Employee Performance Evaluation Template
Whats In Your Purse Printable
Work Schedule Template Weekly
Word Document Free Printable Invoice Templates
Working Partnership Agreement Sample
Workforce Management Certification
Wildcard Https Certificate
Wire Transfer Template Word
Wholesale Sheet Template
Wiring Diagram For Motorcycle Led Light
Wiring Diagram For Monte Carlo
Worksheet Template Simple Estate Planning Worksheet
Web Page Site Map Template
Worksheet Ph Calculations
Wiring Diagram For 2004 Dodge Durango
What Has To Be On A Resume
Wiring Oreck Vacuum
What Is Resume Name
Word Risk Management Plan Template Free