Printable DB
Diagram Of Rear Engine 3116
massage invoice template word
printable pictures of christmas candy canes
onboarding template excel
panasonic washing machine wiring diagram pdf
pre k handwriting worksheets
portfolio web template free
normally open switch wiring diagram symbol
law office memo template
Diagram Of Rear Engine 3116 Wiring Diagram
File Caterpillar 3116 Engine Rr Jpg Wikimedia Commons
Diagram Of Rear Engine 3116 Wiring Diagram
3116 Injector Wiring Diagram Wiring Diagram
9y1132 Tachometer Group Electric Engine Industrial
1671709 Sensor Group Pressure Injection Actuation Oil
3116 Injector Wiring Diagram Wiring Diagram
Cat 3116 Serial Number Location
School Bus Mechanic Cat 3116 Fuel Setting
Caterpillar 3116 3126 Adrenaline
The Cat 3116 Engine Know Your Engine Facts Engine Design Design Info And Common Failures
3116 And 3126 Truck Engines Crankshaft Seals Caterpillar
Thomas United Muffler Corporation
C7 Cat Part Diagrams 198 2713 Caterpillar Excavator Parts
Oil Dumped Out Of Cat 3116 The Hull Truth Boating And
Wrg 1887 2004 Cat 3126 Engine Diagram
3116 And 3126 Truck Engines Fuel Pressure Inspection
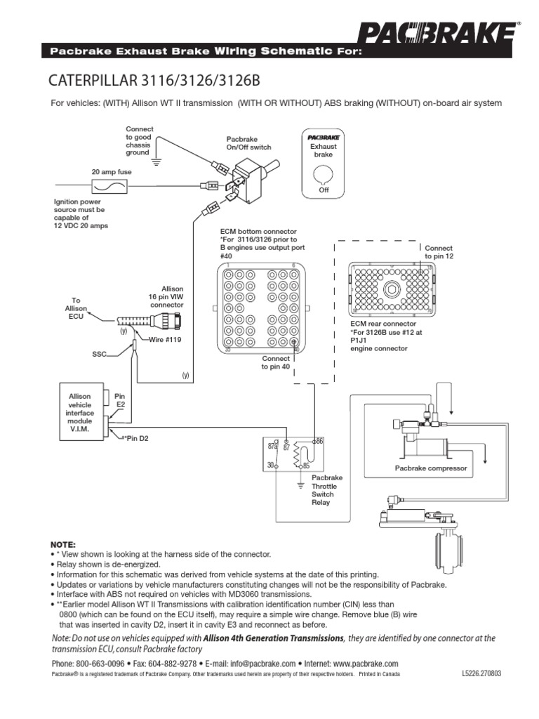
L5226 Electrical Connector Automotive Industry
Wrg 7511 Diagram Of Rear Engine 3116
Understanding And Profiting From The Caterpillar C7 Engine
Airbus Wants To Patent A Wraparound Engine The Drive
Source :
pinterest.com
Popular Posts
Science Project Brochure Templates
Telemetry Nurse Resume Sample
Smog Certification Required
Vehicle Mileage Mileage Log Template Google Sheets
Walmart Receipt Cash Back
Samsung Microwave Top Cabinet Template
Sample Of Excuse Letter For Absent
Time Off Request Form
Sample Iap
Schematic Diagram Of Auto Electrical System
Sample Operational Plan Template
Thank You Card Template Cricut
Sr22 Operators Certificate
Turbocharger Engine Diagram
Self Reflection Evaluation Template For Students
Resume Writing Service Anchorage Ak
Template Sample Speech Outline
Star Delta Connection In Motor Terminal Pdf
Sample Letter For Termination Of Lease Contract
Siren System Wiring Diagram
Water Backflow Certification
Togaf Certification Fees India
Table Seating Template
Surface Area Nets Worksheet Pdf
Sample Patient History Form
Roommate Agreement Template Free Download
User Manual Latex Template
Sample Business Plan For A Bar And Lounge
Touch Point Analysis Template
Volvo Xc90 Fuse Box Diagram
Vw Jettum Fuse Box Diagram
Simulating Protein Synthesis Worksheet Answers
Student Sample Business Letter Format
Toy Story 4 Birthday Invitations Template Free
Scholarship Application Template Pdf
Sample Authorization Letter For Using Credit Card
Theory Of Evolution By Natural Selection Worksheet
Sample Resignation Letter Due To Personal Reasons Doc
Rascal 600 Scooter Wiring Diagram
Trane Model Baystat 239 Wiring Diagram
Ucb Certificate Programs
Seat Ibiza Fr Fuse Box
Vendor Contract Termination Letter Template
Receipt Of Discovery
Small Invitation Cards Templates
School Annual Report Writing Samples
Reservation Letter Sample Philippines
Sample Agenda Format Word
Universal Diesel Fuel Filter Housing
Sales Agreement Template
Transparent Puzzle Piece Template Png
Town Of Miami Lakes Business Tax Receipt
Template Sample Bill Of Sale For Car
States Of Matter Vocabulary Worksheet
Software Development Project Proposal Template