Corsica Wiring Diagram

Corsica Wiring Diagram Wiring Diagram

Corsica Wiring Diagram Wiring Diagram

Repair Guides

Repair Guides

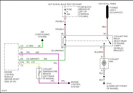
1996 Chevy Corsica Wiring Diagram Engine Mechanical Problem

1996 Chevy Corsica Wiring Diagram Engine Mechanical Problem

1996 Chevy Corsica Wiring Diagram Engine Mechanical Problem

Your source for chevrolet wire information wiring information technical help for your new or used vehicle chevrolet technical wiring diagrams wire information wirediagram.

Corsica wiring diagram. Chevrolet corsica 1997 left the dash fuse boxblock circuit breaker diagram chevrolet corsica 1995 left fuse boxblock circuit breaker diagram chevrolet corsica 1992 fuse. Do i need a special voltage meter. What is the wiring testing process for non operative tail lights. Car fusebox and electrical wiring diagram.

Wiring diagrams repair guide print see figures 1 through 21. March 31st 2012 posted in chevrolet corsica. 23l engine control wiring diagram 1990 92 vehicles. Use of the information above is at your own risk.

The stereo wiring diagram listed above is provided as is without any kind of warranty. Wiring diagram schematics for your 1996 chevrolet corsica get the most accurate wiring diagram schematics in our online service repair manual its important to stay well informed about your 1996 chevrolet corsica and especially important for diy types to have accurate wiring diagram schematics. 1991 93 chevrolet corsica car stereo wire colors functions and locations. 1996 chevrolet corsica stereo wiring information.

1991 93 chevrolet corsica stereo wiring. Orange radio accessory switched 12v wire. Gm corsicaberetta 1988 1996 repair guide. Whether your an expert chevrolet corsica mobile electronics installer chevrolet corsica fanatic or a novice chevrolet corsica enthusiast with a 1994 chevrolet corsica a car stereo wiring diagram can save yourself a lot of time.

I replaced fuse and bulbs only right rear brake light and same side turn signal works. Autozone repair guide for your chassis electrical wiring diagrams wiring diagrams. Radio battery constant 12v wire. Automotive wiring in a 1994 chevrolet corsica vehicles are becoming increasing more difficult to identify due to the installation of.

Do i need a wiring diagram. Home the12volts install bay vehicle wiring view all chevrolet vehicles 1991 93 chevrolet corsica. 31l engine control wiring. Blue at module to the left of the steering column.

1996 Chevrolet Corsica Wiring Diagram Wiring Diagrams Folder

1996 Chevrolet Corsica Wiring Diagram Wiring Diagrams Folder

1996 Chevrolet Corsica Wiring Diagram Wiring Diagrams Folder

1996 Chevrolet Corsica Wiring Diagram Wiring Diagrams Folder

1993 Chevy Corsica Radiator Fan Why Isn T The Fan Kicking

1993 Chevy Corsica Radiator Fan Why Isn T The Fan Kicking

95 Corsica 2 2 Engine Diagram Wiring Diagram

95 Corsica 2 2 Engine Diagram Wiring Diagram

Proa Fuse Box Chevrolet Corsica 1992 Diagram

Proa Fuse Box Chevrolet Corsica 1992 Diagram

Wrg 1641 Corsica Wiring Diagram

Wrg 1641 Corsica Wiring Diagram

Wiring Diagram 1993 Chevy 3500 Wiring Diagram 1993 Chevy

Wiring Diagram 1993 Chevy 3500 Wiring Diagram 1993 Chevy

95 Corsica 2 2 Engine Diagram Schematics Online

95 Corsica 2 2 Engine Diagram Schematics Online

1995 Chevy Corsica Wiring Diagram Wiring Diagram

1995 Chevy Corsica Wiring Diagram Wiring Diagram

Wrg 8538 Chevy Corsica Wiring Diagram

Wrg 8538 Chevy Corsica Wiring Diagram

95 Corsica 2 2 Engine Diagram Schematics Online

95 Corsica 2 2 Engine Diagram Schematics Online

Chevy Corsica Engine Diagram Wiring Diagrams Delete

Chevy Corsica Engine Diagram Wiring Diagrams Delete

92 Chevy Corsica Engine Diagrams Wiring Diagrams

92 Chevy Corsica Engine Diagrams Wiring Diagrams

1995 Chevy Corsica Headlights Electrical Problem 1995 Chevy

1995 Chevy Corsica Headlights Electrical Problem 1995 Chevy

Details About 1988 Chevy Corsica Beretta Electrical Diagnosis Manual Wiring Diagram Chevrolet

Details About 1988 Chevy Corsica Beretta Electrical Diagnosis Manual Wiring Diagram Chevrolet

1988 1996 Chevrolet Corsica Beretta Vacuum Diagrams

1988 1996 Chevrolet Corsica Beretta Vacuum Diagrams

Wiring Diagram For A 1991 Corsica Fixya

Wiring Diagram For A 1991 Corsica Fixya

Chevrolet Corsica Wikipedia

Chevrolet Corsica Wikipedia

Source : pinterest.com

Popular Posts