Printable DB
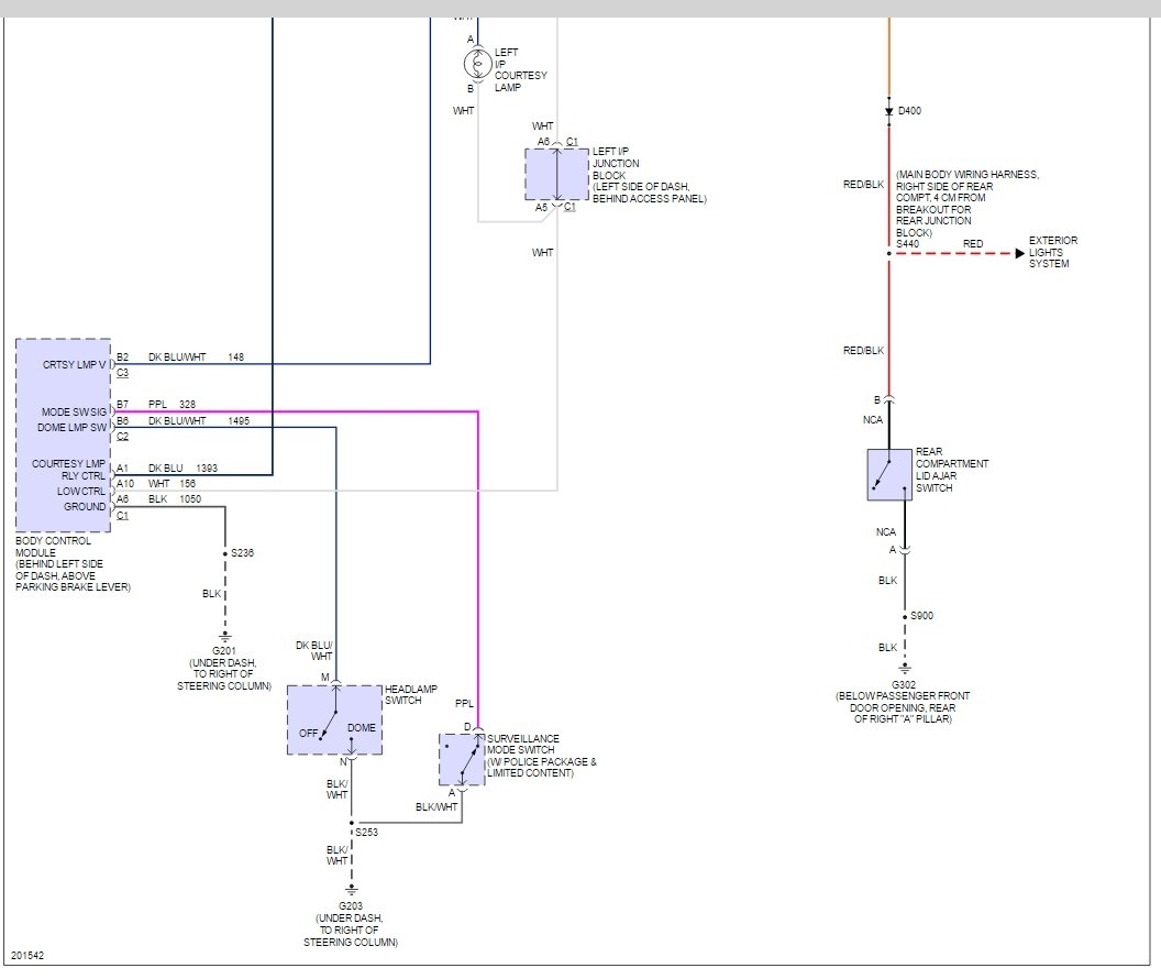
2003 Impala Interior Light Wiring Diagram
wiring a 3 way light switch diagram
what is receipt pal
wedding place card template word
wiring diagram 854s baler jd
western plow installation
your order has shipped email template
zumba certification online
weekly household budget template excel
Repair Guides
2002 Chevy Impala Park Lights Good Evening I Have A Impala
Repair Guides
2002 Chevy Impala Interior Lamps I Have A 2002 Impala Ls
2003 Chevrolet Impala Fuse Diagram Ricks Free Auto Repair
2003 Chevy Impala Ignition Wiring Wiring Schematic Diagram
2003 Chevy Impala Wiring Diagram Wiring Schematic Diagram
Wrg 4500 2003 Impala Interior Light Wiring Diagram
The Headlight On My 2002 Impala Quit Working All Fuses Are
2003 Chevy Impala Wiring Diagram Wiring Schematic Diagram
2003 Chevrolet Impala Fuse Diagram Ricks Free Auto Repair
What Are Each Wire Color For The Headlight Wire Harness
Interior Dome Light Wiring 68 C10 The 1947 Present
2003 Chevy Impala Interior Thosbaker Co
Under Hood Fuse Box Diagram Chevrolet Impala 2000 2001
Mercury Sable Questions My Power Windows And Dome Light
Who Is 2005 Chevy Impala Fog Light Relay And Fuse Box Diagram
2006 2013 Chevrolet Impala Car Audio Profile
2002 Chevy Impala Interior Lamps I Have A 2002 Impala Ls
57 65 Chevy Wiring Diagrams
Where Is The Fuse For 2003 Impala Fixya
Source :
pinterest.com
Popular Posts
Amount Of Charitable Contributions Without Receipt
99 Expedition Fuse Box Diagram
Baby Shower Invitations Neutral Template
2002 Ford Ranger 23 Engine Diagram
2001 Ford Explorer Sport Fuse Diagram
1979 Ford Truck Alternator Wiring
1983 F150 Wiring Diagram
12 Volt 30 Amp Relay Wiring Diagram
2014 Dodge Dart Fuel Filter Location
Avery Labels 2 X 3 Template
69 Vw Beetle Wiring Diagram
Acquisition Nda Template
150 Gy6 Scooter Wiring Diagram
86 Gmc Pickup Fuse Box
2015 Tundra Fuse Diagram
Automatic Motor Starter Circuit Diagram
Acsi Teacher Certification
2005 Ford F 150 Radio Wiring Diagram
98 Dodge Stratu Wiring Diagram
American Eagle Coupons Printable 2019
2008 Bmw 328i Fuse Diagram For E91
2007 Volkswagen Jettum Fuse Box Owner Manual
1997 Dodge Dakotum Stereo Wiring Color Code
2002 Bmw 330ci Fuse Box Diagram
1997 Land Rover Discovery Engine Diagram
4f50n Wire Harnes
Banner Pennant Template
2006 Volvo Xc90 Wiring Diagram
2005 Chrysler 300 Trunk Fuse Diagram
2001 Audi A6 Inside
After Effects Timer Template
Beauty Salon Website Templates
1983 Chevy C20 Wiring Diagram
1975 Cushman Golf Cart Wiring Diagram
2013 Dodge Journey Radio Fuse Location
1999 Subaru Forester Wiring Diagram
Aws Solutions Certification
Academic Sample Letter Of Recommendation For Graduate School From Coworker Pdf
Barako Cdi Diagram
85 Dodge Van Fuse Block Diagram
Auto Bill Of Sale Utah Template
Adobe Illustrator Sticker Template
2003 Blazer Wiring Diagram
2013 Hyundai Sonatum Engine Diagram
1999 Cobra Engine Compartment Vacuum Diagram
2006 Vw Caddy Fuse Box Diagram
95 Corolla Fuse Box
2000 Cougar Fuse Box Diagram
1987 Vw Cabriolet Fuse Box
3 Year Business Plan Template Free
Author Business Card Templates
2 Speed Pool Pump Wiring Diagram
07 Tahoe Radio Wiring Diagram
2013 Ford Focus Fuel Filter
2005 Chevrolet Equinox Wiring Diagram