1993 S10 Ignition Wiring Diagram

1991 1993 2 8l Chevy S10 Ignition System Circuit Diagram

1991 1993 2 8l Chevy S10 Ignition System Circuit Diagram

1991 1993 2 8l Chevy S10 Ignition System Circuit Diagram

1991 1993 2 8l Chevy S10 Ignition System Circuit Diagram

Repair Guides

Repair Guides

Repair Guides

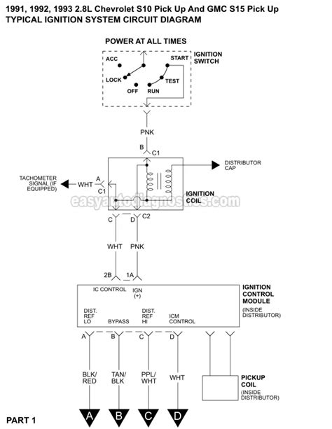
This typical circuit diagram of the ignition coil ignition control module and pickup coil applies to the 1991 1992 1993 28l v6 chevrolet s10 and 28l gmc s15.

1993 s10 ignition wiring diagram. Wiring diagram 1998 chevy s 10 starter replacement. Gm s series pick ups and suvs 1994 1999 repair guide. The starter has one large cable from the battery positive and a wire that goes to the solenoid part of the starter that becomes hot when the key ignition is turned to start. This also passes through the neutral safety switch.

This tutorial will help you test the ignition coil ignition module and the crankshaft position sensor pickup coil. Autozone repair guide for your chassis electrical wiring diagrams wiring diagrams. You can also find other images like images wiring diagram images parts diagram images replacement parts images electrical diagram images repair manuals images engine diagram images engine scheme diagram images wiring. Testing the ignition system is a breeze.

It shows the components of the circuit as simplified shapes and the capability and signal contacts amongst the devices. A wiring diagram is a streamlined standard pictorial representation of an electric circuit. It shows the components of the circuit as streamlined shapes as well as the power as well as signal links between the tools. 1993 chevy s10 wiring diagram wiring diagram is a simplified usual pictorial representation of an electrical circuit.

Trying to swap a newer ecm like mine into his truck so i can tune it and we keep running into wiring issues like fuel pump and fuel gauge that i cant track the wires down to. Wiring diagrams repair guide print see figures 1 through 21. It is a rectangular sliding switch and sits on the top of the column midway between the dash and the firewall. Whether youre a novice chevrolet s10 pickup enthusiast an expert chevrolet s10 pickup mobile electronics installer or a chevrolet s10 pickup fan with a 1993 chevrolet s10 pickup a remote start wiring diagram can save yourself a lot of time.

The automotive wiring harness in a 1993 chevrolet s10 pickup is becoming increasing more complicated. Assortment of chevrolet s10 wiring diagram. The switch has a curved bracket that conforms to the steering column and has grooves to allow it to slide for adjustment purposes.

Repair Guides

Repair Guides

Repair Guides

Repair Guides

Pin On Kc

Pin On Kc

Repair Guides

Repair Guides

91 S10 Wiring Diagram Wiring Diagram

91 S10 Wiring Diagram Wiring Diagram

Starter Well Not Turn Over My Truck Starter Will Not Even

Starter Well Not Turn Over My Truck Starter Will Not Even

Pin By Papinvest On 95 Chevy Fuel Wire Diagram 1994 Chevy

Pin By Papinvest On 95 Chevy Fuel Wire Diagram 1994 Chevy

93 S10 Truck Wiring Diagram Wiring Diagram

93 S10 Truck Wiring Diagram Wiring Diagram

S10 Electrical Diagram Wiring Diagram

S10 Electrical Diagram Wiring Diagram

Repair Guides

Repair Guides

96 Chevy S10 4 3 V6 With Enhanced Distributor Ignition

96 Chevy S10 4 3 V6 With Enhanced Distributor Ignition

Repair Guides

Repair Guides

S10 Electrical Diagram Wiring Diagram

S10 Electrical Diagram Wiring Diagram

1993 S10 Ignition Wiring Diagram Pdf Files Epubs

1993 S10 Ignition Wiring Diagram Pdf Files Epubs

Wiring Diagram 1993 Chevy C1500 Radio Wiring Diagram 91 S10

Wiring Diagram 1993 Chevy C1500 Radio Wiring Diagram 91 S10

S10 Electrical Diagram Wiring Diagram

S10 Electrical Diagram Wiring Diagram

Instrument Cluster Conversion

Instrument Cluster Conversion

Repair Guides

Repair Guides

Source : pinterest.com

Popular Posts